Φ32mm BLDC
Φ32mm BLDC

Φ32mm BLDC

产品描述:

应用范围:

立即咨询

概览

组合

应用方案

产品概述

Φ32mm BLDC

技术参数

Φ32mm BLDC

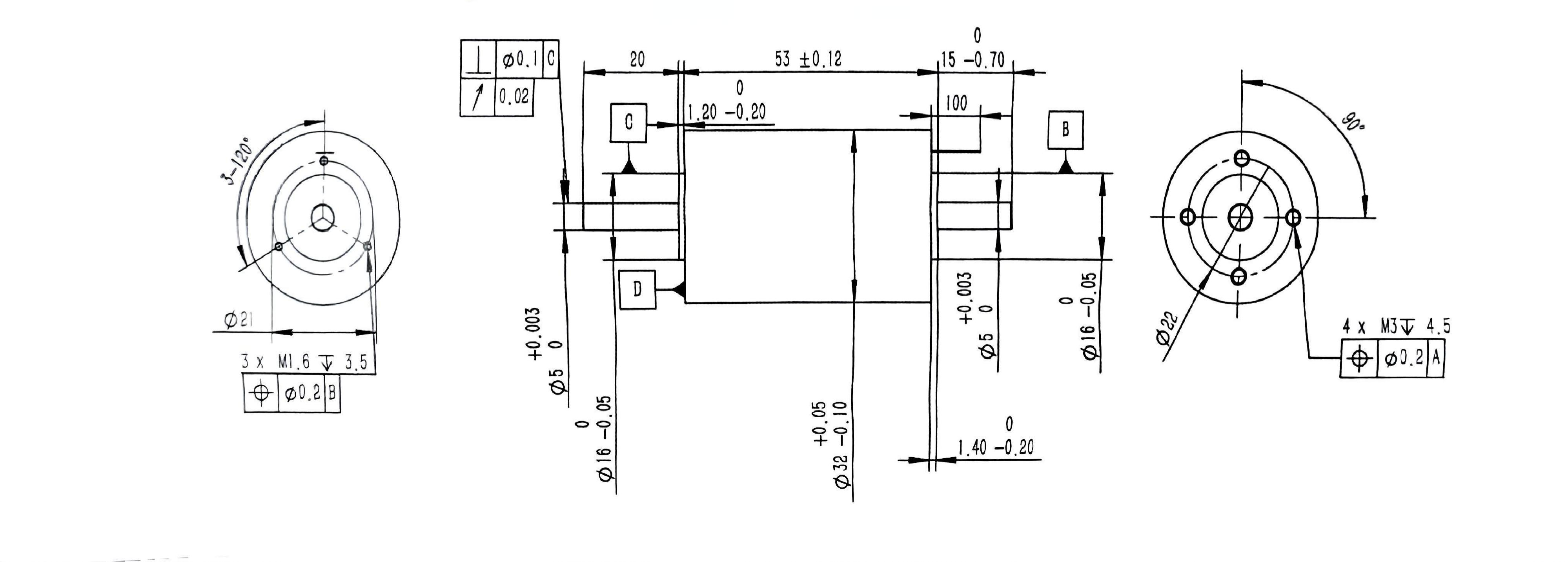
安装尺寸

配套产品

资料下载

精密齿轮箱

齿轮箱类型

齿轮箱材料

精密齿轮箱

驱动器

驱动器

编码器

编码器

在线询价

提交信息

请提交您的基本信息,我们将会尽快与您联系!

*

*

*

*

上传图片:

*