中文
ENGLISH
阿里巴巴
14年
全国服务热线:
0818-7303 303
空心杯无刷电机
Φ6mm BLDC
Φ8mm BLDC
Φ10mm BLDC
Φ12mm BLDC
Φ13mm BLDC
空心杯有刷电机
Φ6mm BDC
Φ8mm BDC
Φ10mm BDC
Φ12mm BDC
Φ14mm BDC
力矩电机
M2-DS75推杆电机
TBM48力矩电机
TBM98力矩电机
TBM85力矩电机
TBM76力矩电机
行星减速电机
PGM30 行星电机
PGM26 行星电机
PGM22 行星电机
PGM16 行星电机
PGM36 行星电机
汽车电机
后抬升电机
前抬升电机
水平电机
踏板电机
投影仪电机
伺服电机
HBL7-M08
HBL7-M11
HBL7-M13
HBL7-M18
HBL9-M04
产品描述:
汽车电机系列
应用范围:
汽车座椅
概览
组合
应用方案
产品概述
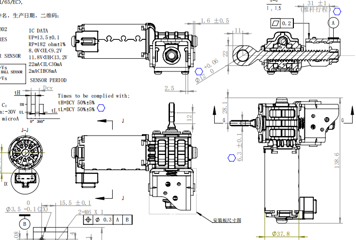
技术参数
安装尺寸
配套产品
资料下载
精密齿轮箱
齿轮箱类型
齿轮箱材料
驱动器
编码器
在线询价
提交信息
请提交您的基本信息,我们将会尽快与您联系!
*